-
可提供試壓報告
所有般德的產品,均可提供出廠試壓報告。
-
球墨鑄鐵實心閥體
QT450-10球鐵閥體、球化率3 級,抗拉強度450Mpa,延展率10%以上。相同厚度情況下,抗拉強度是灰鐵體的2倍,可適用的工作壓力更高。
-
高彈性閥座橡膠
閥座橡膠含膠率50%,經仿真啟閉實驗1萬次以上,無泄漏。
-
寬邊閥座
相對窄邊閥座,寬邊與管道法蘭接觸面更寬,直徑寬20毫米左右,安裝密封性能更好。
-
軸向密封無泄漏
閥軸由4道無油軸承支撐,3道O-ring密封,扭矩較小,密封可靠。
-
阿克蘇環氧塑粉
閥體噴涂采用阿克蘇的環氧樹脂塑粉,附著力強,劃格法0-1級通過;沖擊強度高,50kg?cm正沖通過;耐候性好,戶內戶外均可使用。
-
POF熱縮膜獨立包裝
DN200以下口徑采用POF熱縮膜膜獨立包裝,DN250以上采用氣泡袋或纏繞膜包裝,內置干燥劑,防潮、防淋、隔灰塵。
-
不銹鋼螺栓
螺栓采用不銹鋼材質,穩定可靠,防銹能力強。
-
渦輪頭防水等級高
渦輪頭采用IP65防水等級渦輪頭,適用于室內室外。
產品優點
產品介紹
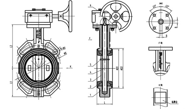
般德DN65-D371X-10/16Q渦輪蝶閥,產品配置:對夾球鐵多標準體,DI鍍鎳板,45#軸,寬邊50%含膠量EPDM閥座,IP65蝸輪頭。主要應用于市政建設、水利工程、給排水、水處理等領域。
產品參數
| 執行標準 | 名稱 | 設計及制造 | 結構長度 | 試壓標準 | |||||||
| 參照標準 | GB/T 12238 | GB/T 12221 | GB/T 13927 | ||||||||
| 零部件信息 | 名稱 | 閥體 | 閥座 | 蝶板 | 閥軸 | 驅動方式 | 螺栓 | 銷子 | |||
| 材質及說明 | DI | 寬邊50%含膠量EPDM | DI鍍鎳 | 45# | 渦輪 | 201 | 304 | ||||
| 尺寸信息 | 公稱尺寸 | PN 10 | PN 16 | Class150 | JIS 10K | ||||||
| DN | NPS(英寸) | L | ΦK | N-Φd | ΦK | N-Φd | ΦK | N-Φd | ΦK | N-Φd | |
| 50 | 2" | 43 | 125 | 4-Φ18 | 125 | 4-Φ18 | 120.7 | 4-Φ19 | 120 | 4-Φ19 | |
| 65 | 2 1/2" | 46 | 145 | 4-Φ18 | 145 | 4-Φ18 | 139.7 | 4-Φ19 | 140 | 4-Φ19 | |
| 80 | 3" | 46 | 160 | 8-Φ18 | 160 | 8-Φ18 | 152.4 | 4-Φ19 | 150 | 8-Φ19 | |
| 100 | 4" | 52 | 180 | 8-Φ18 | 180 | 8-Φ18 | 190.5 | 8-Φ19 | 175 | 8-Φ19 | |
| 125 | 5" | 56 | 210 | 8-Φ18 | 210 | 8-Φ18 | 215.9 | 8-Φ22.4 | 210 | 8-Φ23 | |
| 150 | 6" | 56 | 240 | 8-Φ22 | 240 | 8-Φ22 | 241.3 | 8-Φ22.4 | 240 | 8-Φ23 | |
| 200 | 8" | 60 | 295 | 8-Φ22 | 295 | 12-Φ22 | 298.4 | 8-Φ22.4 | 290 | 12-Φ23 | |
| 250 | 10" | 68 | 350 | 12-Φ22 | 355 | 12-Φ26 | 361.9 | 12-Φ25.4 | 355 | 12-Φ25 | |
| 300 | 12" | 78 | 400 | 12-Φ22 | 410 | 12-Φ26 | 431.8 | 12-Φ25.4 | 400 | 16-Φ25 | |
| 350 | 14" | 78 | 460 | 16-Φ22 | 470 | 16-Φ26 | 476.2 | 12-Φ28.4 | 445 | 16-Φ25 | |
| 400 | 16" | 102 | 515 | 16-Φ26 | 525 | 16-Φ30 | 539.7 | 16-Φ28.4 | 510 | 16-Φ27 | |
| 450 | 18" | 114 | 565 | 20-Φ26 | 585 | 20-Φ30 | 577.8 | 16-Φ31.8 | 565 | 20-Φ27 | |
| 500 | 20" | 127 | 620 | 20-Φ26 | 650 | 20-Φ33 | 635 | 20-Φ31.8 | 620 | 20-Φ27 | |
| 600 | 24" | 154 | 725 | 20-Φ30 | 770 | 20-Φ36 | 749.3 | 20-Φ35.1 | 730 | 24-Φ33 | |
| 700 | 28" | 165 | 840 | 24-Φ30 | 840 | 24-Φ36 | 863.6 | 28-Φ35.1 | 840 | 24-Φ33 | |
| 800 | 32" | 190 | 950 | 24-Φ33 | 950 | 24-Φ39 | 977.9 | 28-Φ41.1 | 950 | 28-Φ33 | |
| 900 | 36" | 203 | 1050 | 28-Φ33 | 1050 | 28-Φ39 | 1085.8 | 32-Φ41.1 | 1050 | 28-Φ33 | |
| 1000 | 40" | 216 | 1160 | 28-Φ36 | 1170 | 28-Φ42 | 1200.2 | 38-Φ41.1 | 1270 | 28-Φ39 | |
| 1200 | 44" | 254 | 1380 | 32-Φ39 | 1390 | 32-Φ48 | 1422.4 | 44-Φ41.1 | 1380 | 32-Φ39 | |
產品專利
新型蝶閥閥體專利 CN201520267217.9
般德閥門專利閥體,蝶閥閥體能適用于主要工業國家對管道側法蘭的規定安裝,增加了蝶閥的適用范圍。
蝶閥外觀專利 CN201830771212.9
采用般德閥門專利閥體外觀。
蝶閥寬邊閥座專利 CN201520397103.6
般德閥門專利寬邊閥座,閥座具有密封面寬、密封效果好、安裝拆卸簡單等效果,大大地解決了傳統蝶閥閥座密封面泄漏等問題。
語言:簡體中文
English
Русский
簡體中文












