-
精密鑄造閥體
閥體為精密鑄造閥體,二次拋丸處理、外觀精細,材質達標;
-
精密加工內件
內件數控精密設備加工,保證精度;
-
防吹出設計
閥桿防吹出設計;
-
304球體
球體采用304+氮化或鍍鉻;
-
密封面硬度可靠
閥座噴涂鎳合金,密封面硬度可靠;
-
閥體外觀光亮
每臺閥體進行表面酸洗鈍化處理, 使鑄件外表呈均勻銀白光亮色澤,保持金屬光澤, 提高耐蝕性;
-
雙層壓力檢測
每臺閥門出廠均按照國家標準做殼體、密封雙層壓力檢測;
-
-
產品優點
產品介紹
硬密封球閥是閥門的密封副(即閥座密封面與球體密封面)材料配對為金屬對金屬的球閥;金屬閥座環與球面接觸,通過作用在閥座環上均勻的彈簧負荷使閥座環與球面形成密封;
球體和閥座進行配對研磨,球閥整個密封面的所有密封區域均經過精密研磨。適合于高溫高壓的水、蒸汽、石油、煤炭、纖維、稠性和腐蝕性介質,以及帶顆粒的介質。
產品參數
| 名稱 | 設計及制造 | 結構長度 | 試壓標準 | 法蘭標準 |
| 參照標準 | GB/T 12237 | GB/T 12221 | GB/T 13927 | HG/T 20592 |
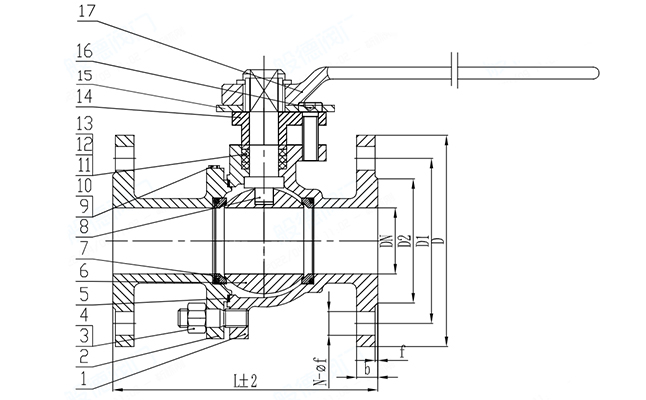
| 名稱 | 1-閥體 | 6-球體 | 7-閥座 |
| 材質及說明 | CF8 | 304氮化 | 304+NI55 |
| DN | NPS | L | ΦD | ΦD1 | ΦD2 | n-Φd |
| 15 | 1/2'' | 130 | 95 | 65 | 45 | 4-14 |
| 20 | 3/4'' | 140 | 105 | 75 | 58 | 4-14 |
| 25 | 1'' | 150 | 115 | 85 | 68 | 4-14 |
| 32 | 1 1/4'' | 165 | 140 | 100 | 78 | 4-18 |
| 40 | 1 1/2'' | 180 | 150 | 110 | 88 | 4-18 |
| 50 | 2'' | 200 | 165 | 125 | 100 | 4-18 |
| 65 | 2 1/2'' | 220 | 185 | 145 | 122 | 4-18 |
| 80 | 3'' | 250 | 200 | 160 | 138 | 8-18 |
| 100 | 4'' | 280 | 220 | 180 | 158 | 8-18 |
| 125 | 5'' | 320 | 250 | 210 | 188 | 8-18 |
| 150 | 6'' | 360 | 285 | 240 | 212 | 8-22 |
| 200 | 8'' | 400 | 340 | 295 | 268 | 12-22 |
語言:簡體中文
English
Русский
簡體中文












