對夾式蝶閥規格尺寸表(以DN100手柄對夾蝶閥為例)

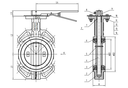
DN100手柄對夾蝶閥圖紙
對夾式蝶閥規格標準
| 名稱 | 設計及制造 | 結構長度 | 試壓標準 | 上法蘭尺寸 |
| 參照標準 | GB/T 12238-2008 | GB/T 12221-2008 | GB/T 13927-2008 | ISO 5211 |
對夾式蝶閥尺寸信息
| DN | NPS(英寸) | A | D1 | D2 |
| DN50 | 2" | 45 | 73.3 | 92.3 |
| DN65 | 2.5" | 49 | 86 | 107 |
| DN80 | 3" | 49 | 100.9 | 122 |
| DN100 | 4" | 55 | 132 | 153 |
| DN125 | 5" | 58.5 | 156 | 179 |
對夾式蝶閥用途廣泛,配合不同的閥門材質,不同的驅動形式,可以適應不同的介質及工況環境。對夾式蝶閥是采用對夾連接方式的蝶閥,對夾式蝶閥的蝶板安裝于管道的直徑方向,在蝶閥閥體圓柱形通道內,圓盤形蝶板繞著軸線旋轉,旋轉角度為0°-90°之間,可以起到流量調節的作用,當蝶板旋轉到90°時,閥門達到最大開度。(尺寸參數僅供參考,需要對夾蝶閥詳細尺寸請聯系網站在線客服)
對夾式蝶閥根據密封圈材質有軟密封和硬密封之分。密封圈材質為軟密封的對夾式蝶閥,有非常良好的密封性能,但也因為自身材質的局限性,不能在含有高溫、高壓介質的管道上使用。而密封圈材質為硬密封的對夾式蝶閥,因為密封材質為金屬合金的緣故,擁有較強的耐高溫高壓性能,但密封性能不太好。
對夾式蝶閥的驅動形式常見的有手柄傳動、渦輪驅動、氣動、電動等。其中手柄和渦輪屬于手動的驅動形式;氣動和電動驅動屬于自動的驅動形式,這類閥門通常使用在人工無法操作或者有一定危險性的工況環境中。
對夾式蝶閥型號
| D71X | 手柄對夾蝶閥 |
| D371X | 渦輪式對夾蝶閥 |
| D671X | 氣動對夾蝶閥 |
| D971X | 電動對夾蝶閥 |
| D371F | 襯氟對夾蝶閥 |
| D71F4 | 襯四氟手柄對夾蝶閥 |
| D371F4 | 襯四氟蝸輪對夾蝶閥 |
對夾式蝶閥廠家
般德閥門,優質的對夾式蝶閥產品生產廠家,每一件蝶閥產品出廠前都經過極其嚴格的質量檢測,保證產品出廠合格率,并且擁有良好的售后服務體系,保障產品品質。歡迎您登陸般德閥門官網,在線詢價。
上一篇:法蘭閘閥規格標準
語言:簡體中文
English
Русский
簡體中文





